Внимание! В понедельник, 29 декабря, склад работает последний день в 2025 году. Просим учесть это при планировании визитов.
Акции
О компании
  • О нас
  • Реквизиты
  • Сотрудники
  • Бренды
  • Сертификаты
  • Документы
  • Дилерам
Информация
  • Контакты
  • Заказ и оплата
  • Доставка
  • Самовывоз
  • Гарантия
  • Отзывы
  • Акции
  • Персональный раздел
Подборки
    7 (495) 123-81-01
    7 (495) 123-81-01
    8 (800) 101-32-12
    @ARGUS_X_Bot tg.svg
    E-mail
    info@argus-x.ru
    Адрес

    111033, г. Москва, ул. Золоторожский Вал, д. 11, стр. 22, офис 239

    Склад находится на ш. Энтузиастов, д.56, стр.20, эт.3, оф.307,территория завода «Прожектор».

    Подробнее
    Режим работы
    Офис работает с 9:00 до 18:00 с Пн по Чт. В пятницу с 9:00 до 17:00. Пожалуйста, предупредите о визите заранее.
    ARGUS-X
    Паяльное оборудование
    Дымоуловители
    Оснащение производств
    Паяльные материалы
    Распродажа
    Подборки
    • Паяльное оборудование
      • Паяльные станции METCAL
        Паяльные станции METCAL
        • Серия CV
        • Серия MX
        • Серия MFR
        • PS-900
        • Серия GT
        • Наконечники      
          • Для серии CV/MX
          • Для серии MFR
          • Для PS-900
          • Для серии MX
          • Для серии GT
        • Термовоздушные станции
      • Паяльные станции PACE
        Паяльные станции PACE
        • Станции ST, MBT, PRC
        • Термоинструменты
        • Аксессуары
        • Наконечники
        • Термовоздушные станции
      • Паяльные станции ATTEN
        Паяльные станции ATTEN
        • Серия GT
        • Серия ST
        • Серия MS
        • Наконечники      
          • Для серии GT
          • Для серии ST
      • Паяльные станции Weller
        Паяльные станции Weller
        • Серия WX
        • Серия WT/WR/WS
        • Серия WE
        • Термоинструменты
        • Сетевые паяльники
        • Газовые паяльники      
          • Насадки
        • Аксессуары
        • Наконечники
      • Паяльные станции ТЕРМОПРО
        Паяльные станции ТЕРМОПРО
        • Серия АЛЬФА-100
        • Серия ФРЦ
      • Термостолы/подогреватели плат
        Термостолы/подогреватели плат
        • ТЕРМОПРО НП/СТМ
        • METCAL PCT
        • PACE PH/ST
      • Конвекционные и термовоздушные паяльные станции
        Конвекционные и термовоздушные паяльные станции
        • METCAL HCT/MRS
        • PACE ST
        • ATTEN GT/ST
        • Конвекционные паяльные станции
        • Термовоздушные паяльные станции
      • Инфракрасные паяльные системы
        Инфракрасные паяльные системы
        • ТЕРМОПРО ИК
      • Прецизионные системы для BGA
        Прецизионные системы для BGA
        • PACE TF/IR
        • INSPECTIS системы визуального контроля BGA
        • METCAL APR
      • Ультразвуковые паяльные системы
        Ультразвуковые паяльные системы
        • Паяльные станции MBR
        • Припой CERASOLZER
    • Дымоуловители
      • Дымоуловители для пайки
        Дымоуловители для пайки
        • Комплекты      
          • Комплекты ВАРП
          • Комплекты Pure-Air
          • Комплекты FumeClear
          • На одно рабочее место
          • На два рабочих места
          • Антистатические
        • Блоки
        • Антистатические дымоуловители
        • Аксессуары      
          • Аксессуары для дымоуловителей BOFA
          • Аксессуары для дымоуловителей FumeClear
          • Аксессуары для дымоуловителей Pure-Air
          • Аксессуары для дымоуловителей Warp (Варп)
        • Дымоприемники
        • Центральное дымоудаление
        • Фильтры
      • Дымоуловители для лазерных резчиков и граверов
        Дымоуловители для лазерных резчиков и граверов
        • Лазерная маркировка и кодировка
        • Лазерная очистка, разметка и сверление
        • Лазерная обработка дерева, фанеры, картона
        • Лазерная резка и гравировка пластика, композитных материалов
        • Лазерная резка, раскройка, сварка и наплавка металлов
        • Лазерная резка и гравировка оргстекла, акрила
        • Лазерная резка и гравировка поликарбоната
        • Блоки дымоуловителей
        • Фильтры
      • Пылеуловители
        Пылеуловители
        • Автоматическая механическая обработка
        • Ручная механическая обработка, полировка, фрезеровка
        • Зуботехническая лаборатория, фрезерование, CNC, зубные техники
        • Упаковка сыпучих материалов
        • Для ювелирных работ
        • Фильтры
        • Блоки
      • Фильтровентиляционные системы для работы с клеями и растворителями
        Фильтровентиляционные системы для работы с клеями и растворителями
        • Комплекты и блоки
        • Аксессуары
        • Фильтры
      • Вытяжки для салонов красоты
        Вытяжки для салонов красоты
        • Комплекты
        • Фильтры
      • Вытяжки для 3D принтеров
        Вытяжки для 3D принтеров
        • Печать пластиками и композитными материалами
        • Порошковая печать металлами
      • Дымоуловители для сварки
        Дымоуловители для сварки
      • Вытяжки для принтеров, плоттеров, сублимационной печати
        Вытяжки для принтеров, плоттеров, сублимационной печати
    • Оснащение производств
      • Винтоверты электроотвертки
        Винтоверты электроотвертки
        • Интеллектуальная программируемая серия
        • Серия Современный стандарт
        • Серия Базовая экономичная
        • Серия Норма
        • Серия Cупер эконом
        • Серия Мини с регулятором скорости
        • Винтоверты пистолетного типа
        • Фидеры и аксессуары
      • Ручной инструмент для электроники
        Ручной инструмент для электроники
        • Кусачки
        • Плоскогубцы
        • Пинцеты
        • Отвертки
        • Прочие инструменты
        • Запасные части
        • Клещи кабельные
        • Ножницы кабельные
        • Пресс клещи
      • Ультразвуковые мойки ELMA
        Ультразвуковые мойки ELMA
        • Серия Easy
        • Серия Select
        • Серия Elmasonic P
        • Серия Elmasonic ST
        • Принадлежности для УЗ-моек
      • Системы дозирования
        Системы дозирования
        • Дозаторы
        • Аксессуары
        • Технологические шприцы
        • Иглы-насадки      
          • Серия TE
          • Серия ТТ
          • Серия MT
          • Гибкие PP
          • Кисточки
          • Металлические TS
          • Тефлоновые TFE
      • Антистатическое оснащение
        Антистатическое оснащение
        • Настольные антистатические коврики и покрытия
        • Антистатические браслеты
        • Напольные антистатические коврики и покрытия
        • Заземлители обуви
        • Аксессуары и провода для заземления
      • Антистатическая упаковка
        Антистатическая упаковка
        • Пакеты антистатические
        • Наклейки и пломбы
        • Индикаторы влажности
      • Визуальный контроль
        Визуальный контроль
        • Цифровые видеомикроскопы все-в-одном
        • Комплекты цифровых видеомикроскопов      
          • 4k
          • FullHD
        • Модульные цифровые видеомикроскопы
        • Cистемы визуального контроля BGA
        • Инвертированные цифровые микроскопы
        • Капилляроскопы
        • Аксессуары      
          • ПО
          • Подсветка
          • Столы
          • Пульты управления
          • Увеличительные линзы
          • Устройства захвата
          • Штативы крепления
        • Видеомикроскопы высокого разрешения
    • Паяльные материалы
      • Припой
        Припой
      • Флюс
        Флюс
    • Распродажа
    • Подборки
      • Паяльное оборудование Термопро
        Паяльное оборудование Термопро
      • Паяльные станции MBT
        Паяльные станции MBT
      • Паяльные станции OKI
        Паяльные станции OKI
      • Паяльные станции PS
        Паяльные станции PS
      • Цифровая паяльная станция
        Цифровая паяльная станция
      • Вакуумные паяльные станции
        Вакуумные паяльные станции
      • Дымоуловители Fumeclear
        Дымоуловители Fumeclear
      • Дымоуловители PURE-AIR
        Дымоуловители PURE-AIR
      • Ручные дозаторы под шприц
        Ручные дозаторы под шприц
      • Дымоуловители для пайки FumeClear
        Дымоуловители для пайки FumeClear
      • Цифровые видеомикроскопы Full HD
        Цифровые видеомикроскопы Full HD
      • Цифровые пневмодозаторы
        Цифровые пневмодозаторы
      • Дымоуловители для пайки WARP
        Дымоуловители для пайки WARP
      • Фильтры Warp
        Фильтры Warp
      • Цифровые видеомикроскопы HD
        Цифровые видеомикроскопы HD
      • Цифровые видеомикроскопы Ultra HD
        Цифровые видеомикроскопы Ultra HD
      • Цифровые видеомикроскопы Ultra HD 4K
        Цифровые видеомикроскопы Ultra HD 4K
      • Припой проволочный
        Припой проволочный
      • Припой трубчатый
        Припой трубчатый
      • Пакеты антистатические закрытые
        Пакеты антистатические закрытые
      • Пакеты антистатические открытые
        Пакеты антистатические открытые
      • Блоки дымоуловителя
        Блоки дымоуловителя
        • Блоки дымоуловителя FumeClear
        • Блоки дымоуловителя PACE
        • Блоки дымоуловителя Pure-Air
        • Блоки дымоуловителя WARP
      • Адаптеры для шприца
        Адаптеры для шприца
      • Аналоговые паяльные станции
        Аналоговые паяльные станции
      • Безотмывочный флюс для пайки
        Безотмывочный флюс для пайки
      • Паяльники для паяльных станций
        Паяльники для паяльных станций
        • Вакуумный паяльник
      • Паяльники для паяльных станций ATTEN
        Паяльники для паяльных станций ATTEN
      • Паяльники для паяльных станций Metcal
        Паяльники для паяльных станций Metcal
      • Паяльники для паяльных станций PACE
        Паяльники для паяльных станций PACE
      • Вакуумные присоски для вакуумного пинцета
        Вакуумные присоски для вакуумного пинцета
      • Паяльники для паяльных станций Weller
        Паяльники для паяльных станций Weller
      • Вытяжки с фильтром
        Вытяжки с фильтром
      • Двухканальные паяльные станции
        Двухканальные паяльные станции
      • Демонтажные паяльные станции
        Демонтажные паяльные станции
      • Держатели для печатных плат
        Держатели для печатных плат
      • Дымоуловители настольные
        Дымоуловители настольные
      • Дозирующие иглы
        Дозирующие иглы
      • Импульсное оборудование
        Импульсное оборудование
      • Насадки-сопло для паяльной станции
        Насадки-сопло для паяльной станции
      • Иглы пластиковые конические TT 16G
        Иглы пластиковые конические TT 16G
      • Инфракрасные паяльные станции BGA
        Инфракрасные паяльные станции BGA
      • Компрессорные паяльные станции
      • Инфракрасные паяльные станции с нижним подогревом
        Инфракрасные паяльные станции с нижним подогревом
      • Комбинированные паяльные станции
        Комбинированные паяльные станции
      • Сопла для пайки
        Сопла для пайки
      • Коннекторы для шприца
        Коннекторы для шприца
      • Контактные паяльные станции
        Контактные паяльные станции
      • Многофункциональные паяльные станции
        Многофункциональные паяльные станции
      • Наконечники TP100
        Наконечники TP100
      • Нижние подогреватели плат
        Нижние подогреватели плат
      • Нижние подогревы Термопро
        Нижние подогревы Термопро
      • Обжигалки для проводов
        Обжигалки для проводов
      • Паяльники с отсосом припоя
        Паяльники с отсосом припоя
      • Паяльники-пинцеты
        Паяльники-пинцеты
      • Паяльные станции ATTEN MS
        Паяльные станции ATTEN MS
      • Паяльные станции для пайки микросхем
        Паяльные станции для пайки микросхем
      • Паяльные станции с нижним подогревом
        Паяльные станции с нижним подогревом
      • Паяльные станции для ремонта видеокарт
        Паяльные станции для ремонта видеокарт
      • Паяльные станции с оловоотсосом
        Паяльные станции с оловоотсосом
      • Паяльные станции для ремонта материнских плат
        Паяльные станции для ремонта материнских плат
      • Паяльные станции с блоком питания
        Паяльные станции с блоком питания
      • Паяльные станции с подачей припоя
        Паяльные станции с подачей припоя
      • Паяльные станции с подогревом платы
        Паяльные станции с подогревом платы
      • Паяльные станции с регулировкой температуры
        Паяльные станции с регулировкой температуры
      • Паяльные станции с термофеном
        Паяльные станции с термофеном
      • Термопинцеты
        Термопинцеты
      • Трехканальные паяльные станции
        Трехканальные паяльные станции
      • Флюс для пайки BGA
        Флюс для пайки BGA
      • Цифровые термовоздушные паяльные станции
        Цифровые термовоздушные паяльные станции
      • Шприцы для дозирования флюса
        Шприцы для дозирования флюса
      • Электрические оловоотсосы для припоя
        Электрические оловоотсосы для припоя
    Войти
    0 Сравнение
    0 Избранное
    0 Корзина
    Паяльные станции Дымоуловители Вытяжки ФВУ для лазера Паяльные материалы Оснащение рабочих мест Каталоги в PDF Акции
    ARGUS-X
    Войти
    0 Сравнение
    0 Избранное
    0 Корзина
    ARGUS-X
    Телефоны
    7 (495) 123-81-01
    8 (800) 101-32-12
    @ARGUS_X_Bot tg.svg
    E-mail
    info@argus-x.ru
    Адрес

    111033, г. Москва, ул. Золоторожский Вал, д. 11, стр. 22, офис 239

    Склад находится на ш. Энтузиастов, д.56, стр.20, эт.3, оф.307,территория завода «Прожектор».

    Подробнее
    Режим работы
    Офис работает с 9:00 до 18:00 с Пн по Чт. В пятницу с 9:00 до 17:00. Пожалуйста, предупредите о визите заранее.
    0
    0
    0
    • Кабинет
    • 0 Сравнение
    • 0 Избранное
    • 0 Корзина
    • О компании
      • О компании
      • О нас
      • Реквизиты
      • Сотрудники
      • Бренды
      • Сертификаты
      • Документы
      • Дилерам
    • Заказ и оплата
    • Доставка
    • Самовывоз
    • Подборки
    7 (495) 123-81-01
    • Телефоны
    • 7 (495) 123-81-01
    • 8 (800) 101-32-12
    • @ARGUS_X_Bot
      tg.svg
    • info@argus-x.ru
    • 111033, г. Москва, ул. Золоторожский Вал, д. 11, стр. 22, офис 239

      Склад находится на ш. Энтузиастов, д.56, стр.20, эт.3, оф.307,территория завода «Прожектор».

      Подробнее
    • Офис работает с 9:00 до 18:00 с Пн по Чт. В пятницу с 9:00 до 17:00. Пожалуйста, предупредите о визите заранее.
    Главная
    Каталог
    Паяльное оборудование

    Паяльное оборудование

    2970
    Паяльные станции METCAL Паяльные станции METCAL 1339 товаров
    Паяльные станции PACE Паяльные станции PACE 618 товаров
    Паяльные станции ATTEN Паяльные станции ATTEN 192 товара
    Паяльные станции Weller Паяльные станции Weller 547 товаров
    Паяльные станции ТЕРМОПРО Паяльные станции ТЕРМОПРО 16 товаров
    Термостолы/подогреватели плат Термостолы/подогреватели плат 34 товара
    Конвекционные и термовоздушные паяльные станции Конвекционные и термовоздушные паяльные станции 192 товара
    Инфракрасные паяльные системы Инфракрасные паяльные системы 5 товаров
    Прецизионные системы для BGA Прецизионные системы для BGA 132 товара
    Ультразвуковые паяльные системы Ультразвуковые паяльные системы 28 товаров
    Паяльное оборудование
    По возрастанию сортировки
    По возрастанию сортировки
    По убыванию сортировки
    Сначала непопулярные
    Сначала популярные
    Сначала дешевые
    Сначала дорогие
    Быстрый просмотр
    Паяльная станция MBT250E-SD с инструментами PS/SX (черный разъем) Паяльная станция MBT250E-SD с инструментами PS/SX (черный разъем) Паяльная станция MBT250E-SD с инструментами PS/SX (черный разъем) Паяльная станция MBT250E-SD с инструментами PS/SX (черный разъем)
    374 286 руб.
    Паяльная станция MBT250E-SD с инструментами PS/SX (черный разъем)
    0
    0
    В наличии
    Арт. 8007-0204
    Производство
    :
    США
    Производитель
    :
    PACE (США)
    Габариты
    :
    135х165х260мм
    Вес
    :
    5кг
    Выходная мощность
    :
    Автоматическое регулирование
    Каналов
    :
    3
    Совместимость
    :
    Черный разъем
    Технология
    :
    SensaTemp
    Диапазон температур SensaTemp
    :
    37-482°C
    Точность температуры
    :
    1.1°C
    Разрежение
    ?
    Это глубина вакуума, которую может создать вытяжка без понижения производительности. Большая глубина вакуума позволит поставить фильтры с высокой эффективностью, и фильтры будут служить дольше.
    :
    500 мм рт.ст
    Быстрый просмотр
    Наконечник для PS900, миниволна 4х13.2мм, серия F
    3 075 руб.
    Наконечник для PS900, миниволна 4х13.2мм, серия F
    0
    0
    В наличии
    Арт. SFV-DRH440A
    Минимальный заказ
    ?
    Если товара нет в наличии
    :
    от 1 штуки
    Производство
    :
    США
    Производитель
    :
    METCAL (США)
    Размер
    :
    4 х 13.2 мм
    Теплоотдача
    :
    Серия F для бессвинцового припоя
    Подходит для
    :
    Для станции PS-900 или паяльника MFR-H2
    Ориентировочная рабочая температура пайки
    ?
    Примерная температура точки пайки во время работы.
    :
    310 °C
    Ориентировочная температура холостого хода
    ?
    Температура наконечника в воздухе.
    :
    360 °C
    Максимальная температура (точка Кюри)
    :
    421 °C
    Быстрый просмотр
    Картридж-наконечник для MX, скос 60° удлиненный 1.78х14.2мм, серия 0
    3 342 руб.
    Картридж-наконечник для MX, скос 60° удлиненный 1.78х14.2мм, серия 0
    0
    0
    Ожидается поступление
    Арт. STTC-047
    Минимальный заказ
    ?
    Если товара нет в наличии
    :
    от 3 штук
    Производство
    :
    США
    Производитель
    :
    METCAL (США)
    Размер
    :
    1.78 х 14.2 мм
    Теплоотдача
    :
    Серия 600 для свинцовосодержащего припоя
    Подходит для
    :
    Паяльник MX-H1-AV
    Ориентировочная рабочая температура пайки
    ?
    Примерная температура точки пайки во время работы.
    :
    250 °C
    Ориентировочная температура холостого хода
    ?
    Температура наконечника в воздухе.
    :
    315 °C
    Максимальная температура (точка Кюри)
    :
    357 °C
    Быстрый просмотр
    Накопители (15 шт)  и фильтры (6 шт) для паяльника MX-DS1 Накопители (15 шт)  и фильтры (6 шт) для паяльника MX-DS1
    4 866 руб.
    Накопители (15 шт) и фильтры (6 шт) для паяльника MX-DS1
    0
    0
    Ожидается поступление
    Арт. MX-DCF1
    Минимальный заказ
    ?
    Если товара нет в наличии
    :
    от 1 штуки
    Производитель
    :
    METCAL (США)
    Быстрый просмотр
    Картридж-наконечник для MFR, наконечник TQFP 80, серия C Картридж-наконечник для MFR, наконечник TQFP 80, серия C Картридж-наконечник для MFR, наконечник TQFP 80, серия C
    9 418.76 руб.
    Картридж-наконечник для MFR, наконечник TQFP 80, серия C
    0
    0
    Ожидается поступление
    Арт. RCP-QD15
    Минимальный заказ
    ?
    Если товара нет в наличии
    :
    от 3 штук
    Производство
    :
    США
    Производитель
    :
    METCAL (США)
    Размер
    :
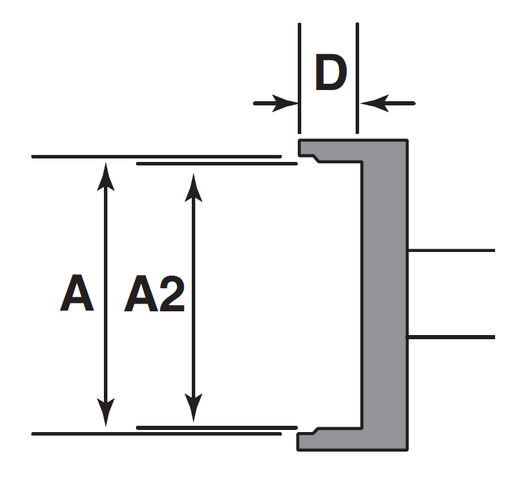
    A 13.34мм A2 12.32мм D 2.79мм B 13.34мм B2 12.32мм
    Теплоотдача
    :
    Серия C для керамических плат
    Подходит для
    :
    Паяльник MFR-H1
    Ориентировочная рабочая температура пайки
    ?
    Примерная температура точки пайки во время работы.
    :
    335 °C
    Ориентировочная температура холостого хода
    ?
    Температура наконечника в воздухе.
    :
    410 °C
    Максимальная температура (точка Кюри)
    :
    471 °C
    Быстрый просмотр
    Наконечник для PS900, миниволна 4х13.2мм, серия C
    3 075 руб.
    Наконечник для PS900, миниволна 4х13.2мм, серия C
    0
    0
    В наличии
    Арт. SCV-DRH440A
    Минимальный заказ
    ?
    Если товара нет в наличии
    :
    от 1 штуки
    Производство
    :
    США
    Производитель
    :
    METCAL (США)
    Размер
    :
    4 х 13.2 мм
    Теплоотдача
    :
    Серия C для керамических плат
    Подходит для
    :
    Для станции PS-900 или паяльника MFR-H2
    Ориентировочная рабочая температура пайки
    ?
    Примерная температура точки пайки во время работы.
    :
    335 °C
    Ориентировочная температура холостого хода
    ?
    Температура наконечника в воздухе.
    :
    410 °C
    Максимальная температура (точка Кюри)
    :
    471 °C
    Быстрый просмотр
    Картридж-наконечник для MX, скос 60° удлиненный 1.78х14.2мм, серия 1
    3 342 руб.
    Картридж-наконечник для MX, скос 60° удлиненный 1.78х14.2мм, серия 1
    0
    0
    Ожидается поступление
    Арт. STTC-147
    Минимальный заказ
    ?
    Если товара нет в наличии
    :
    от 3 штук
    Производство
    :
    США
    Производитель
    :
    METCAL (США)
    Размер
    :
    1.78 х 14.2 мм
    Теплоотдача
    :
    Серия 700 для бессвинцового припоя
    Подходит для
    :
    Паяльник MX-H1-AV
    Ориентировочная рабочая температура пайки
    ?
    Примерная температура точки пайки во время работы.
    :
    280°C
    Ориентировочная температура холостого хода
    ?
    Температура наконечника в воздухе.
    :
    370 °C
    Максимальная температура (точка Кюри)
    :
    413 °C
    Быстрый просмотр
    Картридж-наконечник для MX, скос 60° удлиненный 1.78х14.2мм, серия 8
    3 475 руб.
    Картридж-наконечник для MX, скос 60° удлиненный 1.78х14.2мм, серия 8
    0
    0
    Ожидается поступление
    Арт. STTC-847
    Минимальный заказ
    ?
    Если товара нет в наличии
    :
    от 3 штук
    Производство
    :
    США
    Производитель
    :
    METCAL (США)
    Размер
    :
    1.78 х 14.2 мм
    Теплоотдача
    :
    Серия 800 для керамических плат
    Подходит для
    :
    Паяльник MX-H1-AV
    Ориентировочная рабочая температура пайки
    ?
    Примерная температура точки пайки во время работы.
    :
    340 °C
    Ориентировочная температура холостого хода
    ?
    Температура наконечника в воздухе.
    :
    450 °C
    Максимальная температура (точка Кюри)
    :
    496 °C
    Быстрый просмотр
    Наконечник для PS900, ножевидный удлиненный 3х18.7мм, серия T
    5 427 руб.
    Наконечник для PS900, ножевидный удлиненный 3х18.7мм, серия T
    0
    0
    В наличии
    Арт. STV-DRK30AR
    Минимальный заказ
    ?
    Если товара нет в наличии
    :
    от 1 штуки
    Производство
    :
    США
    Производитель
    :
    METCAL (США)
    Размер
    :
    3 х 18.7 мм
    Теплоотдача
    :
    Серия T для свинцовосодержащего припоя
    Подходит для
    :
    Для станции PS-900 или паяльника MFR-H2
    Ориентировочная рабочая температура пайки
    ?
    Примерная температура точки пайки во время работы.
    :
    270 °C
    Ориентировочная температура холостого хода
    ?
    Температура наконечника в воздухе.
    :
    320 °C
    Максимальная температура (точка Кюри)
    :
    366 °C
    Быстрый просмотр
    Картридж-наконечник для MX, ножевидный  5.0х13.2мм, серия 1
    10 147 руб.
    Картридж-наконечник для MX, ножевидный 5.0х13.2мм, серия 1
    0
    0
    Ожидается поступление
    Арт. SMTC-1173P
    Минимальный заказ
    ?
    Если товара нет в наличии
    :
    от 3 штук
    Производство
    :
    США
    Производитель
    :
    METCAL (США)
    Размер
    :
    5.0 х 13.2 мм
    Теплоотдача
    :
    Серия 700 для бессвинцового припоя
    Подходит для
    :
    Паяльник MX-H1-AV
    Ориентировочная рабочая температура пайки
    ?
    Примерная температура точки пайки во время работы.
    :
    280°C
    Ориентировочная температура холостого хода
    ?
    Температура наконечника в воздухе.
    :
    370 °C
    Максимальная температура (точка Кюри)
    :
    413 °C
    Быстрый просмотр
    Картридж-наконечник для MFR, QFP 44, серия F Картридж-наконечник для MFR, QFP 44, серия F Картридж-наконечник для MFR, QFP 44, серия F
    17 752 руб.
    Картридж-наконечник для MFR, QFP 44, серия F
    0
    0
    В наличии
    Арт. RFP-QD19
    Минимальный заказ
    ?
    Если товара нет в наличии
    :
    от 1 штуки
    Производство
    :
    США
    Производитель
    :
    METCAL (США)
    Размер
    :
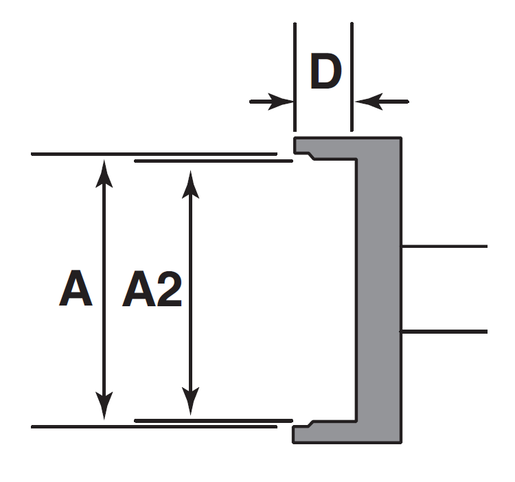
    A 16.13мм A2 16.13мм D 3.30мм B 16.13мм B2 16.13мм
    Теплоотдача
    :
    Серия F для бессвинцового припоя
    Подходит для
    :
    Паяльник MFR-H1
    Ориентировочная рабочая температура пайки
    ?
    Примерная температура точки пайки во время работы.
    :
    310 °C
    Ориентировочная температура холостого хода
    ?
    Температура наконечника в воздухе.
    :
    360 °C
    Максимальная температура (точка Кюри)
    :
    421 °C
    Быстрый просмотр
    Паяльник MX-H6-HTD с подставкой MX-W1AV Паяльник MX-H6-HTD с подставкой MX-W1AV
    30 478 руб.
    Паяльник MX-H6-HTD с подставкой MX-W1AV
    0
    0
    Ожидается поступление
    Арт. MX-UK6
    Минимальный заказ
    ?
    Если товара нет в наличии
    :
    от 1 штуки
    Производство
    :
    Китай
    Новинка
    :
    да
    Производитель
    :
    METCAL (США)
    Быстрый просмотр
    Припой CERASOLZER GS220ME 1,6 мм 150г
    46 340 руб.
    Припой CERASOLZER GS220ME 1,6 мм 150г
    0
    0
    Ожидается поступление
    Арт. GS220ME-150
    Производство
    :
    Швейцария
    Производитель
    :
    MBR (Швейцария)
    Диаметр
    :
    1.6мм
    Температура плавления
    :
    220°C
    Быстрый просмотр
    Паяльная станция MFR-2240 (термопинцет MFR-H4-TW+подставка MFR-WSPT) Паяльная станция MFR-2240 (термопинцет MFR-H4-TW+подставка MFR-WSPT)
    104 265 руб.
    Паяльная станция MFR-2240 (термопинцет MFR-H4-TW+подставка MFR-WSPT)
    0
    0
    Ожидается поступление
    Арт. MFR-2240
    Минимальный заказ
    ?
    Если товара нет в наличии
    :
    от 1 штуки
    Производство
    :
    Китай
    Производитель
    :
    METCAL (США)
    Габариты
    :
    122x 200x152.5мм
    Выходная мощность
    :
    5-50Вт на канал
    Рабочая частота
    :
    450 кГц
    Каналов
    :
    2 работают одновременно
    Быстрый просмотр
    Паяльная станция MBT250E-SDT с инструментами PS/SX/TT (черный разъем) Паяльная станция MBT250E-SDT с инструментами PS/SX/TT (черный разъем) Паяльная станция MBT250E-SDT с инструментами PS/SX/TT (черный разъем) Паяльная станция MBT250E-SDT с инструментами PS/SX/TT (черный разъем)
    437 968 руб.
    Паяльная станция MBT250E-SDT с инструментами PS/SX/TT (черный разъем)
    0
    0
    Ожидается поступление
    Арт. 8007-0548
    Производство
    :
    США
    Производитель
    :
    PACE (США)
    Габариты
    :
    135х165х260мм
    Вес
    :
    5кг
    Выходная мощность
    :
    Автоматическое регулирование
    Каналов
    :
    3
    Совместимость
    :
    Черный разъем
    Технология
    :
    SensaTemp
    Диапазон температур SensaTemp
    :
    37-482°C
    Точность температуры
    :
    1.1°C
    Разрежение
    ?
    Это глубина вакуума, которую может создать вытяжка без понижения производительности. Большая глубина вакуума позволит поставить фильтры с высокой эффективностью, и фильтры будут служить дольше.
    :
    500 мм рт.ст
    Быстрый просмотр
    Картридж-наконечник для MX, ножевидный 5.0х13.2мм, серия 8
    4 812 руб.
    Картридж-наконечник для MX, ножевидный 5.0х13.2мм, серия 8
    0
    0
    Ожидается поступление
    Арт. STTC-8173P
    Минимальный заказ
    ?
    Если товара нет в наличии
    :
    от 3 штук
    Производство
    :
    США
    Производитель
    :
    METCAL (США)
    Размер
    :
    5.0 х 13.2 мм
    Теплоотдача
    :
    Серия 800 для керамических плат
    Подходит для
    :
    Паяльник MX-H1-AV
    Ориентировочная рабочая температура пайки
    ?
    Примерная температура точки пайки во время работы.
    :
    340 °C
    Ориентировочная температура холостого хода
    ?
    Температура наконечника в воздухе.
    :
    450 °C
    Максимальная температура (точка Кюри)
    :
    496 °C
    Быстрый просмотр
    Наконечник для PS900, ножевидный удлиненный 3х18.7мм, серия F
    5 481 руб.
    Наконечник для PS900, ножевидный удлиненный 3х18.7мм, серия F
    0
    0
    В наличии
    Арт. SFV-DRK30AR
    Минимальный заказ
    ?
    Если товара нет в наличии
    :
    от 1 штуки
    Производство
    :
    США
    Производитель
    :
    METCAL (США)
    Размер
    :
    3 х 18.7 мм
    Теплоотдача
    :
    Серия F для бессвинцового припоя
    Подходит для
    :
    Для станции PS-900 или паяльника MFR-H2
    Ориентировочная рабочая температура пайки
    ?
    Примерная температура точки пайки во время работы.
    :
    310 °C
    Ориентировочная температура холостого хода
    ?
    Температура наконечника в воздухе.
    :
    360 °C
    Максимальная температура (точка Кюри)
    :
    421 °C
    Быстрый просмотр
    Картридж-наконечник для MFR, QFP 44, серия C Картридж-наконечник для MFR, QFP 44, серия C Картридж-наконечник для MFR, QFP 44, серия C
    10 088.42 руб.
    Картридж-наконечник для MFR, QFP 44, серия C
    0
    0
    Ожидается поступление
    Арт. RCP-QD19
    Минимальный заказ
    ?
    Если товара нет в наличии
    :
    от 3 штук
    Производство
    :
    США
    Производитель
    :
    METCAL (США)
    Размер
    :
    A 16.13мм A2 16.13мм D 3.30мм B 16.13мм B2 16.13мм
    Теплоотдача
    :
    Серия C для керамических плат
    Подходит для
    :
    Паяльник MFR-H1
    Ориентировочная рабочая температура пайки
    ?
    Примерная температура точки пайки во время работы.
    :
    335 °C
    Ориентировочная температура холостого хода
    ?
    Температура наконечника в воздухе.
    :
    410 °C
    Максимальная температура (точка Кюри)
    :
    471 °C
    Акция
    01.02.2026 00:00:00 0000
    Быстрый просмотр
    Наконечник для PS900, ножевидный удлиненный 3х18.7мм, серия C
    4 860.90 руб.
    5 401 руб.
    -10%
    Наконечник для PS900, ножевидный удлиненный 3х18.7мм, серия C
    0
    0
    В наличии
    Арт. SCV-DRK30AR
    Минимальный заказ
    ?
    Если товара нет в наличии
    :
    от 1 штуки
    Производство
    :
    США
    Производитель
    :
    METCAL (США)
    Размер
    :
    3 х 18.7 мм
    Теплоотдача
    :
    Серия C для керамических плат
    Подходит для
    :
    Для станции PS-900 или паяльника MFR-H2
    Ориентировочная рабочая температура пайки
    ?
    Примерная температура точки пайки во время работы.
    :
    335 °C
    Ориентировочная температура холостого хода
    ?
    Температура наконечника в воздухе.
    :
    410 °C
    Максимальная температура (точка Кюри)
    :
    471 °C
    Быстрый просмотр
    Наконечник для PS900, ножевидный удлиненный 4.5х18.7мм, серия T
    5 347 руб.
    Наконечник для PS900, ножевидный удлиненный 4.5х18.7мм, серия T
    0
    0
    В наличии
    Арт. STV-DRK45AR
    Минимальный заказ
    ?
    Если товара нет в наличии
    :
    от 1 штуки
    Производство
    :
    США
    Производитель
    :
    METCAL (США)
    Размер
    :
    4.5 х 18.7 мм
    Теплоотдача
    :
    Серия T для свинцовосодержащего припоя
    Подходит для
    :
    Для станции PS-900 или паяльника MFR-H2
    Ориентировочная рабочая температура пайки
    ?
    Примерная температура точки пайки во время работы.
    :
    270 °C
    Ориентировочная температура холостого хода
    ?
    Температура наконечника в воздухе.
    :
    320 °C
    Максимальная температура (точка Кюри)
    :
    366 °C
    1 ... 49 50 51 52 53 ... 149
    Категория
    • Паяльное оборудование
      • Паяльные станции METCAL
        • Серия CV
        • Серия MX
        • Серия MFR
        • PS-900
        • Серия GT
        • Наконечники
          • Для серии CV/MX
          • Для серии MFR
          • Для PS-900
          • Для серии MX
          • Для серии GT
        • Термовоздушные станции
      • Паяльные станции PACE
        • Станции ST, MBT, PRC
        • Термоинструменты
        • Аксессуары
        • Наконечники
        • Термовоздушные станции
      • Паяльные станции ATTEN
        • Серия GT
        • Серия ST
        • Серия MS
        • Наконечники
          • Для серии GT
          • Для серии ST
      • Паяльные станции Weller
        • Серия WX
        • Серия WT/WR/WS
        • Серия WE
        • Термоинструменты
        • Сетевые паяльники
        • Газовые паяльники
          • Насадки
        • Аксессуары
        • Наконечники
      • Паяльные станции ТЕРМОПРО
        • Серия АЛЬФА-100
        • Серия ФРЦ
      • Термостолы/подогреватели плат
        • ТЕРМОПРО НП/СТМ
        • METCAL PCT
        • PACE PH/ST
      • Конвекционные и термовоздушные паяльные станции
        • METCAL HCT/MRS
        • PACE ST
        • ATTEN GT/ST
        • Конвекционные паяльные станции
        • Термовоздушные паяльные станции
      • Инфракрасные паяльные системы
        • ТЕРМОПРО ИК
      • Прецизионные системы для BGA
        • PACE TF/IR
        • INSPECTIS системы визуального контроля BGA
        • METCAL APR
      • Ультразвуковые паяльные системы
        • Паяльные станции MBR
        • Припой CERASOLZER
    Фильтр
    Цена
    0
    2 272 451
    4 544 901
    6 817 352
    9 089 802
    Наличие
    Минимальный заказ ? Если товара нет в наличии, то возможен заказ только минимального количества. Если товар есть в наличии, то можно заказать любое количество со склада.
    Бренд ? Мы официальный дилер представленных брендов
    + Еще
    Производитель
    + Еще
    Электропитание
    + Еще
    Выходная мощность
    + Еще
    Рабочая частота
    Каналов
    + Еще
    Форма
    + Еще
    Размер
    + Еще
    Теплоотдача
    + Еще
    Подходит для
    + Еще
    Совместимость ? Для подключения инструмента к станции цвет их разъемов должен совпадать.
    Технология
    + Еще
    Диапазон температур IntelliHeat
    Диапазон температур SensaTemp
    Воздушный поток
    + Еще
    Уровень шума, дБ
    Тип
    + Еще
    Эффективная мощность ультразвука
    Мощность нагревателя
    + Еще
    Встроенный нагреватель
    Потребляемая мощность
    Контроль температуры
    + Еще
    Максимальные температуры
    Помпа
    Захват компонента
    Максимальные размеры платы
    Рабочая область
    Максимальная толщина платы
    Позиционирование
    Диапазон температур
    + Еще
    Точность температуры
    + Еще
    Терморегулятор
    Пайка по термопрофилю
    Обратная связь по датчику температуры на плате
    Диаметр
    + Еще
    Диаметры проволоки
    Размеры катушки
    Скорость подачи
    Память программ
    Комплектация
    Разрешение
    Интерфейс
    Оптический зум
    Увеличение*
    Поле зрения, при макс. зуме (по горизонтали) (с линзой)
    Управление
    Захват изображения
    Антистатическое исполнение ESD
    Температура плавления
    + Еще
    Тип инструмента
    Совместимость со станциями
    + Еще
    Серия наконечников
    + Еще
    Режимы «обучение» и «программа»
    Выходное напряжение
    Рабочая температура пайки
    Температура холостого хода
    Тип компрессора
    Разрежение ? Это глубина вакуума, которую может создать вытяжка без понижения производительности. Большая глубина вакуума позволит поставить фильтры с высокой эффективностью, и фильтры будут служить дольше. 
    Ориентировочная рабочая температура пайки ?
    Примерная рабочая температура припоя на типовой плате из стеклотекстолита через 1-2 секунды после начала пайки. Зависит от конкретного компонента и платы. 
    + Еще
    Ориентировочная температура холостого хода ? Температура наконечника в воздухе.
    + Еще
    Максимальная температура (точка Кюри) ? Максимальная температура ферромагнетика на поверхности сердечника внутри индукционного нагревателя. Реальная температура наконечника зависит от геометрии жала, окружающей среды и метода измерения. Температура наконечника во время пайки сильно снижается.
    + Еще
    Количество каналов
    Диапазон регулировки температуры
    + Еще
    Воздушный порт ? Специальный воздушный порт станции позволяет подключать такие инструменты как термофен или мини-термофен. Станция может иметь встроенную помпу для подачи воздуха или же требовать подключения внешнего компрессора.
    Вакуумный порт ? Специальный вакуумный порт станции позволяет подключать такие инструменты как вакуумный паяльник или пинцет. Станция может иметь встроенную помпу для создания вакуума или же требовать подключения внешнего компрессора.
    Встроенная помпа ? При наличии встроенной воздушной помпы станция обеспечивает работу термофенов/вакуумных инструментов без необходимости подключения внешнего компрессора
    Комплект поставки
    Антистатическое исполнение ? Светильники в антистатическом исполнении предназначены для использования в ESD защищенной зоне (EPA).
    Внешнее управление ? Включение, выключение и диммирование светильника (или группы светильников) с опцией внешнего управления осуществляется при помощи специального модуля (не входит в комплект поставки), который может быть размещен в удобном для оператора месте.
    Материал корпуса
    Класс защиты от поражения электрическим током
    Выбрано 0 Показать0
    Показать 0
    Подписаться
    на новости и акции
    Связаться с нами
    7 (495) 123-81-01
    7 (495) 123-81-01
    8 (800) 101-32-12
    @ARGUS_X_Bot tg.svg
    E-mail
    info@argus-x.ru
    Адрес

    111033, г. Москва, ул. Золоторожский Вал, д. 11, стр. 22, офис 239

    Склад находится на ш. Энтузиастов, д.56, стр.20, эт.3, оф.307,территория завода «Прожектор».

    Подробнее
    Режим работы
    Офис работает с 9:00 до 18:00 с Пн по Чт. В пятницу с 9:00 до 17:00. Пожалуйста, предупредите о визите заранее.

    111033, г. Москва, ул. Золоторожский Вал, д. 11, стр. 22, офис 239

    Склад находится на ш. Энтузиастов, д.56, стр.20, эт.3, оф.307,территория завода «Прожектор».

    Подробнее
    Разделы каталога
    Паяльное оборудование
    Дымоуловители
    Оснащение производств
    Паяльные материалы
    Распродажа
    Подборки
    Карта сайта
    Каталоги в PDF
    Компания
    О нас
    Реквизиты
    Сотрудники
    Бренды
    Сертификаты
    Документы
    Дилерам
    Статьи
    Информация
    Контакты
    Заказ и оплата
    Доставка
    Самовывоз
    Гарантия
    Отзывы
    Акции
    Персональный раздел
    Конфиденциальность

    © 2016-2025 Интернет-магазин ARGUS-X

    Согласно положениям ст. 437 ч. 1 Гражданского кодекса РФ от 30.11.1994 № 51-ФЗ вся информация на сайте не является публичной офертой

    Главная Каталог 0 Корзина 0 Избранные Кабинет 0 Сравнение Акции Контакты Бренды Отзывы Компания

    Продолжая использовать наш сайт, вы даёте согласие на обработку файлов cookie в целях функционирования сайта и сбора статистики в соответствии с Политикой конфиденциальности