Акции
Подборки
Информация
  • Контакты
  • Доставка
  • Самовывоз
  • Гарантия
  • Заказ и оплата
  • Персональный раздел
  • Бренды
  • Акции
  • Отзывы
  • Статьи
  • О компании
  • Сотрудники
  • Сертификаты
  • Документы
  • Реквизиты
  • Партнерам
  • ЭкспоЭлектроника 2026
Самовывоз
Контакты
    7 (495) 123-81-01
    7 (495) 123-81-01
    8 (800) 101-32-12
    @ARGUS_X_Bot Чат в телеграмм tg.svg
    @id7720669687_bot Чат в МАХ
    E-mail
    info@argus-x.ru
    Адрес
    г. Москва, ул. Золоторожский Вал, д. 11, стр. 22, офис 239
    🚙 Склад в Москве
    Режим работы
    Офис работает по будням с 9:00 до 18:00. Пожалуйста, предупредите о визите заранее.
    ARGUS-X
    Паяльное оборудование
    Дымоуловители
    Оснащение производств
    Паяльные материалы
    Распродажа
    Подборки
    • Паяльное оборудование
      • Паяльные станции METCAL
        Паяльные станции METCAL
        • Серия CV
        • Серия MX
        • Серия MFR
        • PS-900
        • Серия GT
        • Наконечники      
          • Для серии CV/MX
          • Для серии MFR
          • Для PS-900
          • Для серии MX
          • Для серии GT
        • Термовоздушные станции
      • Паяльные станции PACE
        Паяльные станции PACE
        • Станции ST, MBT, PRC
        • Термоинструменты
        • Аксессуары
        • Наконечники
        • Термовоздушные станции
      • Паяльные станции ATTEN
        Паяльные станции ATTEN
        • Серия GT
        • Серия ST
        • Серия MS
        • Наконечники      
          • Для серии GT
          • Для серии ST
      • Паяльные станции Weller
        Паяльные станции Weller
        • Серия WX
        • Серия WT/WR/WS
        • Серия WE
        • Термоинструменты
        • Сетевые паяльники
        • Газовые паяльники      
          • Насадки
        • Аксессуары
        • Наконечники
      • Паяльные станции ТЕРМОПРО
        Паяльные станции ТЕРМОПРО
        • Серия АЛЬФА-100
        • Серия ФРЦ
      • Термостолы/подогреватели плат
        Термостолы/подогреватели плат
        • ТЕРМОПРО НП/СТМ
        • METCAL PCT
        • PACE PH/ST
      • Конвекционные и термовоздушные паяльные станции
        Конвекционные и термовоздушные паяльные станции
        • METCAL HCT/MRS
        • PACE ST
        • ATTEN GT/ST
        • Конвекционные паяльные станции
        • Термовоздушные паяльные станции
      • Инфракрасные паяльные системы
        Инфракрасные паяльные системы
        • ТЕРМОПРО ИК
      • Прецизионные системы для BGA
        Прецизионные системы для BGA
        • PACE TF/IR
        • INSPECTIS системы визуального контроля BGA
        • METCAL APR
      • Ультразвуковые паяльные системы
        Ультразвуковые паяльные системы
        • Паяльные станции MBR
        • Припой CERASOLZER
      Aidacom
      Alpha
      FumeClear
      Inspectis
      METCAL
      PACE
      Pure-Air
      Sudong
      Vmatic
      ВАРП
      Радиант
      Термопро
    • Дымоуловители
      • Дымоуловители для пайки
        Дымоуловители для пайки
        • Комплекты      
          • Комплекты ВАРП
          • Комплекты Pure-Air
          • Комплекты FumeClear
          • На одно рабочее место
          • На два рабочих места
          • Антистатические
        • Блоки
        • Антистатические дымоуловители
        • Аксессуары      
          • Аксессуары для дымоуловителей BOFA
          • Аксессуары для дымоуловителей FumeClear
          • Аксессуары для дымоуловителей Pure-Air
          • Аксессуары для дымоуловителей Warp (Варп)
        • Дымоприемники
        • Центральное дымоудаление
        • Фильтры
      • Дымоуловители для лазерных резчиков и граверов
        Дымоуловители для лазерных резчиков и граверов
        • Лазерная маркировка и кодировка
        • Лазерная очистка, разметка и сверление
        • Лазерная обработка дерева, фанеры, картона
        • Лазерная резка и гравировка пластика, композитных материалов
        • Лазерная резка, раскройка, сварка и наплавка металлов
        • Лазерная резка и гравировка оргстекла, акрила
        • Лазерная резка и гравировка поликарбоната
        • Блоки дымоуловителей
        • Фильтры
      • Пылеуловители
        Пылеуловители
        • Автоматическая механическая обработка
        • Ручная механическая обработка, полировка, фрезеровка
        • Зуботехническая лаборатория, фрезерование, CNC, зубные техники
        • Упаковка сыпучих материалов
        • Для ювелирных работ
        • Фильтры
        • Блоки
      • Фильтровентиляционные системы для работы с клеями и растворителями
        Фильтровентиляционные системы для работы с клеями и растворителями
        • Комплекты и блоки
        • Аксессуары
        • Фильтры
      • Вытяжки для салонов красоты
        Вытяжки для салонов красоты
        • Комплекты
        • Фильтры
      • Вытяжки для 3D принтеров
        Вытяжки для 3D принтеров
        • Печать пластиками и композитными материалами
        • Порошковая печать металлами
      • Дымоуловители для сварки
        Дымоуловители для сварки
      • Вытяжки для принтеров, плоттеров, сублимационной печати
        Вытяжки для принтеров, плоттеров, сублимационной печати
      Aidacom
      Alpha
      FumeClear
      Inspectis
      METCAL
      PACE
      Pure-Air
      Sudong
      Vmatic
      ВАРП
      Радиант
      Термопро
    • Оснащение производств
      • Винтоверты электроотвертки
        Винтоверты электроотвертки
        • Интеллектуальная программируемая серия
        • Серия Современный стандарт
        • Серия Базовая экономичная
        • Серия Норма
        • Серия Cупер эконом
        • Серия Мини с регулятором скорости
        • Винтоверты пистолетного типа
        • Фидеры и аксессуары
      • Ручной инструмент для электроники
        Ручной инструмент для электроники
        • Кусачки
        • Плоскогубцы
        • Пинцеты
        • Отвертки
        • Прочие инструменты
        • Запасные части
        • Клещи кабельные
        • Ножницы кабельные
        • Пресс клещи
      • Ультразвуковые мойки ELMA
        Ультразвуковые мойки ELMA
        • Серия Easy
        • Серия Select
        • Серия Elmasonic P
        • Серия Elmasonic ST
        • Принадлежности для УЗ-моек
      • Системы дозирования
        Системы дозирования
        • Дозаторы
        • Аксессуары
        • Технологические шприцы
        • Иглы-насадки      
          • Серия TE
          • Серия ТТ
          • Серия MT
          • Гибкие PP
          • Кисточки
          • Металлические TS
          • Тефлоновые TFE
      • Антистатическое оснащение
        Антистатическое оснащение
        • Настольные антистатические коврики и покрытия
        • Антистатические браслеты
        • Напольные антистатические коврики и покрытия
        • Заземлители обуви
        • Аксессуары и провода для заземления
      • Антистатическая упаковка
        Антистатическая упаковка
        • Пакеты антистатические
        • Наклейки и пломбы
        • Индикаторы влажности
      • Визуальный контроль
        Визуальный контроль
        • Цифровые видеомикроскопы все-в-одном
        • Комплекты цифровых видеомикроскопов      
          • 4k
          • FullHD
        • Модульные цифровые видеомикроскопы
        • Cистемы визуального контроля BGA
        • Инвертированные цифровые микроскопы
        • Капилляроскопы
        • Аксессуары      
          • ПО
          • Подсветка
          • Столы
          • Пульты управления
          • Увеличительные линзы
          • Устройства захвата
          • Штативы крепления
        • Видеомикроскопы высокого разрешения
      Aidacom
      Alpha
      FumeClear
      Inspectis
      METCAL
      PACE
      Pure-Air
      Sudong
      Vmatic
      ВАРП
      Радиант
      Термопро
    • Паяльные материалы
      • Припой
        Припой
      • Флюс
        Флюс
      Aidacom
      Alpha
      FumeClear
      Inspectis
      METCAL
      PACE
      Pure-Air
      Sudong
      Vmatic
      ВАРП
      Радиант
      Термопро
    • Распродажа
      Aidacom
      Alpha
      FumeClear
      Inspectis
      METCAL
      PACE
      Pure-Air
      Sudong
      Vmatic
      ВАРП
      Радиант
      Термопро
    • Подборки
      • Паяльное оборудование Термопро
        Паяльное оборудование Термопро
      • Паяльные станции MBT
        Паяльные станции MBT
      • Паяльные станции OKI
        Паяльные станции OKI
      • Паяльные станции PS
        Паяльные станции PS
      • Цифровая паяльная станция
        Цифровая паяльная станция
      • Вакуумные паяльные станции
        Вакуумные паяльные станции
      • Дымоуловители Fumeclear
        Дымоуловители Fumeclear
      • Дымоуловители PURE-AIR
        Дымоуловители PURE-AIR
      • Ручные дозаторы под шприц
        Ручные дозаторы под шприц
      • Дымоуловители для пайки FumeClear
        Дымоуловители для пайки FumeClear
      • Цифровые видеомикроскопы Full HD
        Цифровые видеомикроскопы Full HD
      • Цифровые пневмодозаторы
        Цифровые пневмодозаторы
      • Дымоуловители для пайки WARP
        Дымоуловители для пайки WARP
      • Фильтры Warp
        Фильтры Warp
      • Цифровые видеомикроскопы HD
        Цифровые видеомикроскопы HD
      • Цифровые видеомикроскопы Ultra HD
        Цифровые видеомикроскопы Ultra HD
      • Цифровые видеомикроскопы Ultra HD 4K
        Цифровые видеомикроскопы Ultra HD 4K
      • Припой проволочный
        Припой проволочный
      • Припой трубчатый
        Припой трубчатый
      • Пакеты антистатические закрытые
        Пакеты антистатические закрытые
      • Пакеты антистатические открытые
        Пакеты антистатические открытые
      • Блоки дымоуловителя
        Блоки дымоуловителя
        • Блоки дымоуловителя FumeClear
        • Блоки дымоуловителя PACE
        • Блоки дымоуловителя Pure-Air
        • Блоки дымоуловителя WARP
      • Адаптеры для шприца
        Адаптеры для шприца
      • Аналоговые паяльные станции
        Аналоговые паяльные станции
      • Безотмывочный флюс для пайки
        Безотмывочный флюс для пайки
      • Паяльники для паяльных станций
        Паяльники для паяльных станций
        • Вакуумный паяльник
      • Паяльники для паяльных станций ATTEN
        Паяльники для паяльных станций ATTEN
      • Паяльники для паяльных станций Metcal
        Паяльники для паяльных станций Metcal
      • Паяльники для паяльных станций PACE
        Паяльники для паяльных станций PACE
      • Вакуумные присоски для вакуумного пинцета
        Вакуумные присоски для вакуумного пинцета
      • Паяльники для паяльных станций Weller
        Паяльники для паяльных станций Weller
      • Вытяжки с фильтром
        Вытяжки с фильтром
      • Двухканальные паяльные станции
        Двухканальные паяльные станции
      • Демонтажные паяльные станции
        Демонтажные паяльные станции
      • Держатели для печатных плат
        Держатели для печатных плат
      • Дымоуловители настольные
        Дымоуловители настольные
      • Дозирующие иглы
        Дозирующие иглы
      • Импульсное оборудование
        Импульсное оборудование
      • Насадки-сопло для паяльной станции
        Насадки-сопло для паяльной станции
      • Иглы пластиковые конические TT 16G
        Иглы пластиковые конические TT 16G
      • Инфракрасные паяльные станции BGA
        Инфракрасные паяльные станции BGA
      • Компрессорные паяльные станции
      • Инфракрасные паяльные станции с нижним подогревом
        Инфракрасные паяльные станции с нижним подогревом
      • Комбинированные паяльные станции
        Комбинированные паяльные станции
      • Сопла для пайки
        Сопла для пайки
      • Коннекторы для шприца
        Коннекторы для шприца
      • Контактные паяльные станции
        Контактные паяльные станции
      • Многофункциональные паяльные станции
        Многофункциональные паяльные станции
      • Наконечники TP100
        Наконечники TP100
      • Нижние подогреватели плат
        Нижние подогреватели плат
      • Нижние подогревы Термопро
        Нижние подогревы Термопро
      • Обжигалки для проводов
        Обжигалки для проводов
      • Паяльники с отсосом припоя
        Паяльники с отсосом припоя
      • Паяльники-пинцеты
        Паяльники-пинцеты
      • Паяльные станции ATTEN MS
        Паяльные станции ATTEN MS
      • Паяльные станции для пайки микросхем
        Паяльные станции для пайки микросхем
      • Паяльные станции с нижним подогревом
        Паяльные станции с нижним подогревом
      • Паяльные станции для ремонта видеокарт
        Паяльные станции для ремонта видеокарт
      • Паяльные станции с оловоотсосом
        Паяльные станции с оловоотсосом
      • Паяльные станции для ремонта материнских плат
        Паяльные станции для ремонта материнских плат
      • Паяльные станции с блоком питания
        Паяльные станции с блоком питания
      • Паяльные станции с подачей припоя
        Паяльные станции с подачей припоя
      • Паяльные станции с подогревом платы
        Паяльные станции с подогревом платы
      • Паяльные станции с регулировкой температуры
        Паяльные станции с регулировкой температуры
      • Паяльные станции с термофеном
        Паяльные станции с термофеном
      • Термопинцеты
        Термопинцеты
      • Трехканальные паяльные станции
        Трехканальные паяльные станции
      • Флюс для пайки BGA
        Флюс для пайки BGA
      • Цифровые термовоздушные паяльные станции
        Цифровые термовоздушные паяльные станции
      • Шприцы для дозирования флюса
        Шприцы для дозирования флюса
      • Электрические оловоотсосы для припоя
        Электрические оловоотсосы для припоя
      Aidacom
      Alpha
      FumeClear
      Inspectis
      METCAL
      PACE
      Pure-Air
      Sudong
      Vmatic
      ВАРП
      Радиант
      Термопро
    Войти
    0 Сравнение
    0 Избранное
    0 Корзина
    Паяльные станции Дымоуловители Вытяжки ФВУ для лазера Паяльные материалы Оснащение рабочих мест Каталоги в PDF Акции
    ARGUS-X
    Войти
    0 Сравнение
    0 Избранное
    0 Корзина
    ARGUS-X
    Телефоны
    7 (495) 123-81-01
    8 (800) 101-32-12
    @ARGUS_X_Bot Чат в телеграмм tg.svg
    @id7720669687_bot Чат в МАХ
    E-mail
    info@argus-x.ru
    Адрес
    г. Москва, ул. Золоторожский Вал, д. 11, стр. 22, офис 239
    🚙 Склад в Москве
    Режим работы
    Офис работает по будням с 9:00 до 18:00. Пожалуйста, предупредите о визите заранее.
    0
    0
    0
    • Кабинет
    • 0 Сравнение
    • 0 Избранное
    • 0 Корзина
    • Контакты
    • Доставка
    • Самовывоз
    • Подборки
    • Информация
      • Информация
      • Контакты
      • Доставка
      • Самовывоз
      • Гарантия
      • Заказ и оплата
      • Персональный раздел
      • Бренды
      • Акции
      • Отзывы
      • Статьи
      • О компании
      • Сотрудники
      • Сертификаты
      • Документы
      • Реквизиты
      • Партнерам
      • ЭкспоЭлектроника 2026
    7 (495) 123-81-01
    • Телефоны
    • 7 (495) 123-81-01
    • 8 (800) 101-32-12
    • @ARGUS_X_Bot Чат в телеграмм
      tg.svg
    • @id7720669687_bot Чат в МАХ
    • info@argus-x.ru
    • г. Москва, ул. Золоторожский Вал, д. 11, стр. 22, офис 239
      🚙 Склад в Москве
    • Офис работает по будням с 9:00 до 18:00. Пожалуйста, предупредите о визите заранее.
    Главная
    Каталог
    Паяльное оборудование
    Паяльные станции METCAL
    Наконечники

    Наконечники для паяльных станций

    1250
    Для серии CV/MX Для серии CV/MX 543 товара
    Для серии MFR Для серии MFR 144 товара
    Для PS-900 Для PS-900 130 товаров
    Для серии MX Для серии MX 307 товаров
    Для серии GT Для серии GT 126 товаров
    Паяльные станции Metcal купить
    По возрастанию сортировки
    По возрастанию сортировки
    По убыванию сортировки
    Сначала непопулярные
    Сначала популярные
    Сначала дешевые
    Сначала дорогие
    Быстрый просмотр
    Картридж-наконечник для СV/MX, миниволна 1,5мм (замена SMTC-0184)
    7 249 руб.
    Картридж-наконечник для СV/MX, миниволна 1,5мм (замена SMTC-0184)
    0
    0
    В наличии
    Арт. SMC-6HF0015V
    Минимальный заказ
    ?
    Если товара нет в наличии
    :
    от 1 штуки
    Производство
    :
    США
    Производитель
    :
    METCAL (США)
    Размер
    :
    1.5 мм
    Теплоотдача
    :
    Серия 600 для свинцовосодержащего припоя
    Подходит для
    :
    Паяльник CV-H1-AV и MX-H1-AV
    Ориентировочная рабочая температура пайки
    ?
    Примерная температура точки пайки во время работы.
    :
    250 °C
    Ориентировочная температура холостого хода
    ?
    Температура наконечника в воздухе.
    :
    315 °C
    Максимальная температура (точка Кюри)
    :
    357 °C
    Быстрый просмотр
    Картридж-наконечник для СV/MX, миниволна 1,5мм (замена SMTC-1184)
    7 249 руб.
    Картридж-наконечник для СV/MX, миниволна 1,5мм (замена SMTC-1184)
    0
    0
    Ожидается поступление
    Арт. SMC-7HF0015V
    Минимальный заказ
    ?
    Если товара нет в наличии
    :
    от 3 штук
    Производство
    :
    США
    Производитель
    :
    METCAL (США)
    Размер
    :
    1.5 мм
    Теплоотдача
    :
    Серия 700 для бессвинцового припоя
    Подходит для
    :
    Паяльник CV-H1-AV и MX-H1-AV
    Ориентировочная рабочая температура пайки
    ?
    Примерная температура точки пайки во время работы.
    :
    280 °C
    Ориентировочная температура холостого хода
    ?
    Температура наконечника в воздухе.
    :
    310 °C
    Максимальная температура (точка Кюри)
    :
    413 °C
    Быстрый просмотр
    Картридж-наконечник для СV/MX, миниволна 1,5мм (замена SMTC-8184V1)
    7 249 руб.
    Картридж-наконечник для СV/MX, миниволна 1,5мм (замена SMTC-8184V1)
    0
    0
    Ожидается поступление
    Арт. SMC-8HF0015V
    Минимальный заказ
    ?
    Если товара нет в наличии
    :
    от 1 штуки
    Производство
    :
    США
    Производитель
    :
    METCAL (США)
    Размер
    :
    1.5 мм
    Теплоотдача
    :
    Серия 800 для керамических плат
    Подходит для
    :
    Паяльник CV-H1-AV и MX-H1-AV
    Ориентировочная рабочая температура пайки
    ?
    Примерная температура точки пайки во время работы.
    :
    310 °C
    Ориентировочная температура холостого хода
    ?
    Температура наконечника в воздухе.
    :
    410 °C
    Максимальная температура (точка Кюри)
    :
    468 °C
    Быстрый просмотр
    Картридж-наконечник для СV/MX, миниволна с углублением 1.5мм (замена SMTC-8184)
    7 249 руб.
    Картридж-наконечник для СV/MX, миниволна с углублением 1.5мм (замена SMTC-8184)
    0
    0
    В наличии
    Арт. SMC-9HF0015V
    Минимальный заказ
    ?
    Если товара нет в наличии
    :
    от 1 штуки
    Производство
    :
    США
    Производитель
    :
    METCAL (США)
    Размер
    :
    1.5 мм
    Теплоотдача
    :
    Серия 900 для мощных теплоотводов
    Подходит для
    :
    Паяльник CV-H1-AV и MX-H1-AV
    Ориентировочная рабочая температура пайки
    ?
    Примерная температура точки пайки во время работы.
    :
    340 °C
    Ориентировочная температура холостого хода
    ?
    Температура наконечника в воздухе.
    :
    450 °C
    Максимальная температура (точка Кюри)
    :
    496 °C
    Быстрый просмотр
    Картридж-наконечник для MX, TQFP 44, серия 1 Картридж-наконечник для MX, TQFP 44, серия 1 Картридж-наконечник для MX, TQFP 44, серия 1
    14 720 руб.
    Картридж-наконечник для MX, TQFP 44, серия 1
    0
    0
    Ожидается поступление
    Арт. SMTC-1159
    Минимальный заказ
    ?
    Если товара нет в наличии
    :
    от 3 штук
    Производство
    :
    США
    Производитель
    :
    METCAL (США)
    Размер
    :
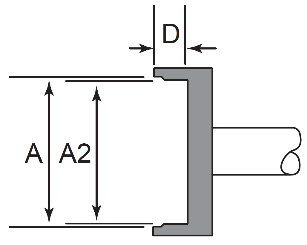
    A 12.19 x A2 11.18 x D 2.79 x B 13.21 x B2 12.19 мм
    Теплоотдача
    :
    Серия 700 для бессвинцового припоя
    Подходит для
    :
    Паяльник MX-H1-AV
    Ориентировочная рабочая температура пайки
    ?
    Примерная температура точки пайки во время работы.
    :
    280°C
    Ориентировочная температура холостого хода
    ?
    Температура наконечника в воздухе.
    :
    370 °C
    Максимальная температура (точка Кюри)
    :
    413 °C
    Быстрый просмотр
    Картридж-наконечник для СV/MX, миниволна 1,5мм (замена SMTC-5167)
    6 455 руб.
    Картридж-наконечник для СV/MX, миниволна 1,5мм (замена SMTC-5167)
    0
    0
    Ожидается поступление
    Арт. SMC-5HF6015S
    Минимальный заказ
    ?
    Если товара нет в наличии
    :
    от 3 штук
    Производство
    :
    США
    Производитель
    :
    METCAL (США)
    Размер
    :
    1.5 x 16.51 мм
    Теплоотдача
    :
    Серия 500 для чувствительных компонентов
    Подходит для
    :
    Паяльник CV-H1-AV и MX-H1-AV
    Ориентировочная рабочая температура пайки
    ?
    Примерная температура точки пайки во время работы.
    :
    220 °C
    Ориентировочная температура холостого хода
    ?
    Температура наконечника в воздухе.
    :
    260 °C
    Максимальная температура (точка Кюри)
    :
    302 °C
    Быстрый просмотр
    Картридж-наконечник для СV/MX, миниволна 1.5х16.51мм (замена SMTC-0167)
    6 455 руб.
    Картридж-наконечник для СV/MX, миниволна 1.5х16.51мм (замена SMTC-0167)
    0
    0
    В наличии
    Арт. SMC-6HF6015S
    Минимальный заказ
    ?
    Если товара нет в наличии
    :
    от 1 штуки
    Производство
    :
    США
    Производитель
    :
    METCAL (США)
    Размер
    :
    1.5 x 16.51 мм
    Теплоотдача
    :
    Серия 600 для свинцовосодержащего припоя
    Подходит для
    :
    Паяльник CV-H1-AV и MX-H1-AV
    Ориентировочная рабочая температура пайки
    ?
    Примерная температура точки пайки во время работы.
    :
    250 °C
    Ориентировочная температура холостого хода
    ?
    Температура наконечника в воздухе.
    :
    315 °C
    Максимальная температура (точка Кюри)
    :
    357 °C
    Быстрый просмотр
    Картридж-наконечник для СV/MX, миниволна 1.5х16.51мм (замена SMTC-1167)
    6 455 руб.
    Картридж-наконечник для СV/MX, миниволна 1.5х16.51мм (замена SMTC-1167)
    0
    0
    Ожидается поступление
    Арт. SMC-7HF6015S
    Минимальный заказ
    ?
    Если товара нет в наличии
    :
    от 1 штуки
    Производство
    :
    США
    Производитель
    :
    METCAL (США)
    Размер
    :
    1.5 x 16.51 мм
    Теплоотдача
    :
    Серия 700 для бессвинцового припоя
    Подходит для
    :
    Паяльник CV-H1-AV и MX-H1-AV
    Ориентировочная рабочая температура пайки
    ?
    Примерная температура точки пайки во время работы.
    :
    280 °C
    Ориентировочная температура холостого хода
    ?
    Температура наконечника в воздухе.
    :
    310 °C
    Максимальная температура (точка Кюри)
    :
    413 °C
    Быстрый просмотр
    Картридж-наконечник для СV/MX, миниволна 1.5х16.51мм (замена SMTC-8167V1)
    6 455 руб.
    Картридж-наконечник для СV/MX, миниволна 1.5х16.51мм (замена SMTC-8167V1)
    0
    0
    В наличии
    Арт. SMC-8HF6015S
    Минимальный заказ
    ?
    Если товара нет в наличии
    :
    от 1 штуки
    Производство
    :
    США
    Производитель
    :
    METCAL (США)
    Размер
    :
    1.5 x 16.51 мм
    Теплоотдача
    :
    Серия 800 для керамических плат
    Подходит для
    :
    Паяльник CV-H1-AV и MX-H1-AV
    Ориентировочная рабочая температура пайки
    ?
    Примерная температура точки пайки во время работы.
    :
    310 °C
    Ориентировочная температура холостого хода
    ?
    Температура наконечника в воздухе.
    :
    410 °C
    Максимальная температура (точка Кюри)
    :
    468 °C
    Быстрый просмотр
    Картридж-наконечник для СV/MX, миниволна с углублением 1.5мм (замена SMTC-8167)
    6 455 руб.
    Картридж-наконечник для СV/MX, миниволна с углублением 1.5мм (замена SMTC-8167)
    0
    0
    Ожидается поступление
    Арт. SMC-9HF6015S
    Минимальный заказ
    ?
    Если товара нет в наличии
    :
    от 3 штук
    Производство
    :
    США
    Производитель
    :
    METCAL (США)
    Размер
    :
    1.5 x 16.51 мм
    Теплоотдача
    :
    Серия 900 для мощных теплоотводов
    Подходит для
    :
    Паяльник CV-H1-AV и MX-H1-AV
    Ориентировочная рабочая температура пайки
    ?
    Примерная температура точки пайки во время работы.
    :
    340 °C
    Ориентировочная температура холостого хода
    ?
    Температура наконечника в воздухе.
    :
    450 °C
    Максимальная температура (точка Кюри)
    :
    496 °C
    Быстрый просмотр
    Картридж-наконечник для MX, PLCC 28, серия 0 Картридж-наконечник для MX, PLCC 28, серия 0 Картридж-наконечник для MX, PLCC 28, серия 0
    12 859 руб.
    Картридж-наконечник для MX, PLCC 28, серия 0
    0
    0
    Ожидается поступление
    Арт. SMTC-013
    Минимальный заказ
    ?
    Если товара нет в наличии
    :
    от 3 штук
    Производство
    :
    США
    Производитель
    :
    METCAL (США)
    Размер
    :
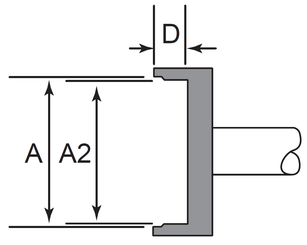
    A 12.7 x A2 11.56 x D 3.8 x B 12.7 x B2 11.56 мм
    Теплоотдача
    :
    Серия 600 для свинцовосодержащего припоя
    Подходит для
    :
    Паяльник MX-H1-AV
    Ориентировочная рабочая температура пайки
    ?
    Примерная температура точки пайки во время работы.
    :
    250 °C
    Ориентировочная температура холостого хода
    ?
    Температура наконечника в воздухе.
    :
    315 °C
    Максимальная температура (точка Кюри)
    :
    357 °C
    Быстрый просмотр
    Картридж-наконечник для СV/MX, миниволна, 2.0х11.6мм (замена SMTC-5185)
    7 249 руб.
    Картридж-наконечник для СV/MX, миниволна, 2.0х11.6мм (замена SMTC-5185)
    0
    0
    Ожидается поступление
    Арт. SMC-5HF0020V
    Минимальный заказ
    ?
    Если товара нет в наличии
    :
    от 3 штук
    Производство
    :
    США
    Производитель
    :
    METCAL (США)
    Размер
    :
    2 мм
    Теплоотдача
    :
    Серия 500 для чувствительных компонентов
    Подходит для
    :
    Паяльник CV-H1-AV и MX-H1-AV
    Ориентировочная рабочая температура пайки
    ?
    Примерная температура точки пайки во время работы.
    :
    220 °C
    Ориентировочная температура холостого хода
    ?
    Температура наконечника в воздухе.
    :
    260 °C
    Максимальная температура (точка Кюри)
    :
    302 °C
    Быстрый просмотр
    Картридж-наконечник для MX, PLCC 28, серия 1 Картридж-наконечник для MX, PLCC 28, серия 1 Картридж-наконечник для MX, PLCC 28, серия 1
    12 859 руб.
    Картридж-наконечник для MX, PLCC 28, серия 1
    0
    0
    Ожидается поступление
    Арт. SMTC-113
    Минимальный заказ
    ?
    Если товара нет в наличии
    :
    от 3 штук
    Производство
    :
    США
    Производитель
    :
    METCAL (США)
    Размер
    :
    A 12.7 x A2 11.56 x D 3.8 x B 12.7 x B2 11.56 мм
    Теплоотдача
    :
    Серия 700 для бессвинцового припоя
    Подходит для
    :
    Паяльник MX-H1-AV
    Ориентировочная рабочая температура пайки
    ?
    Примерная температура точки пайки во время работы.
    :
    280°C
    Ориентировочная температура холостого хода
    ?
    Температура наконечника в воздухе.
    :
    370 °C
    Максимальная температура (точка Кюри)
    :
    413 °C
    Быстрый просмотр
    Картридж-наконечник для СV/MX, миниволна, 2.0х11.6мм (замена SMTC-0185)
    7 249 руб.
    Картридж-наконечник для СV/MX, миниволна, 2.0х11.6мм (замена SMTC-0185)
    0
    0
    В наличии
    Арт. SMC-6HF0020V
    Минимальный заказ
    ?
    Если товара нет в наличии
    :
    от 1 штуки
    Производство
    :
    США
    Производитель
    :
    METCAL (США)
    Размер
    :
    2 мм
    Теплоотдача
    :
    Серия 600 для свинцовосодержащего припоя
    Подходит для
    :
    Паяльник CV-H1-AV и MX-H1-AV
    Ориентировочная рабочая температура пайки
    ?
    Примерная температура точки пайки во время работы.
    :
    250 °C
    Ориентировочная температура холостого хода
    ?
    Температура наконечника в воздухе.
    :
    315 °C
    Максимальная температура (точка Кюри)
    :
    357 °C
    Быстрый просмотр
    Картридж-наконечник для СV/MX, миниволна, 2.0х11.6мм (замена SMTC-1185)
    7 249 руб.
    Картридж-наконечник для СV/MX, миниволна, 2.0х11.6мм (замена SMTC-1185)
    0
    0
    В наличии
    Арт. SMC-7HF0020V
    Минимальный заказ
    ?
    Если товара нет в наличии
    :
    от 1 штуки
    Производство
    :
    США
    Производитель
    :
    METCAL (США)
    Размер
    :
    2 мм
    Теплоотдача
    :
    Серия 700 для бессвинцового припоя
    Подходит для
    :
    Паяльник CV-H1-AV и MX-H1-AV
    Ориентировочная рабочая температура пайки
    ?
    Примерная температура точки пайки во время работы.
    :
    280 °C
    Ориентировочная температура холостого хода
    ?
    Температура наконечника в воздухе.
    :
    310 °C
    Максимальная температура (точка Кюри)
    :
    413 °C
    Быстрый просмотр
    Картридж-наконечник для СV/MX, миниволна, 2.0х11.6мм (замена SMTC-8185V1)
    7 249 руб.
    Картридж-наконечник для СV/MX, миниволна, 2.0х11.6мм (замена SMTC-8185V1)
    0
    0
    Ожидается поступление
    Арт. SMC-8HF0020V
    Минимальный заказ
    ?
    Если товара нет в наличии
    :
    от 3 штук
    Производство
    :
    США
    Производитель
    :
    METCAL (США)
    Размер
    :
    2 мм
    Теплоотдача
    :
    Серия 800 для керамических плат
    Подходит для
    :
    Паяльник CV-H1-AV и MX-H1-AV
    Ориентировочная рабочая температура пайки
    ?
    Примерная температура точки пайки во время работы.
    :
    310 °C
    Ориентировочная температура холостого хода
    ?
    Температура наконечника в воздухе.
    :
    410 °C
    Максимальная температура (точка Кюри)
    :
    468 °C
    Быстрый просмотр
    Картридж-наконечник для СV/MX, миниволна, 2.0х11.6мм (замена SMTC-8185)
    7 249 руб.
    Картридж-наконечник для СV/MX, миниволна, 2.0х11.6мм (замена SMTC-8185)
    0
    0
    Ожидается поступление
    Арт. SMC-9HF0020V
    Минимальный заказ
    ?
    Если товара нет в наличии
    :
    от 3 штук
    Производство
    :
    США
    Производитель
    :
    METCAL (США)
    Размер
    :
    2 мм
    Теплоотдача
    :
    Серия 900 для мощных теплоотводов
    Подходит для
    :
    Паяльник CV-H1-AV и MX-H1-AV
    Ориентировочная рабочая температура пайки
    ?
    Примерная температура точки пайки во время работы.
    :
    340 °C
    Ориентировочная температура холостого хода
    ?
    Температура наконечника в воздухе.
    :
    450 °C
    Максимальная температура (точка Кюри)
    :
    496 °C
    Быстрый просмотр
    Картридж-наконечник для MX, PLCC-32, серия 0 Картридж-наконечник для MX, PLCC-32, серия 0 Картридж-наконечник для MX, PLCC-32, серия 0
    14 720 руб.
    Картридж-наконечник для MX, PLCC-32, серия 0
    0
    0
    Ожидается поступление
    Арт. SMTC-016
    Минимальный заказ
    ?
    Если товара нет в наличии
    :
    от 3 штук
    Производство
    :
    США
    Производитель
    :
    METCAL (США)
    Размер
    :
    A 12.7 x A2 11.43 x D 3.8 x B 15.24 x B2 13.97 мм
    Теплоотдача
    :
    Серия 600 для свинцовосодержащего припоя
    Подходит для
    :
    Паяльник MX-H1-AV
    Ориентировочная рабочая температура пайки
    ?
    Примерная температура точки пайки во время работы.
    :
    250 °C
    Ориентировочная температура холостого хода
    ?
    Температура наконечника в воздухе.
    :
    315 °C
    Максимальная температура (точка Кюри)
    :
    357 °C
    Быстрый просмотр
    Картридж-наконечник для СV/MX, миниволна удлинненный 2мм (замена SMTC-5169)
    6 455 руб.
    Картридж-наконечник для СV/MX, миниволна удлинненный 2мм (замена SMTC-5169)
    0
    0
    Ожидается поступление
    Арт. SMC-5HF6020S
    Минимальный заказ
    ?
    Если товара нет в наличии
    :
    от 3 штук
    Производство
    :
    США
    Производитель
    :
    METCAL (США)
    Размер
    :
    2.00 x 15.24 мм
    Теплоотдача
    :
    Серия 500 для чувствительных компонентов
    Подходит для
    :
    Паяльник CV-H1-AV и MX-H1-AV
    Ориентировочная рабочая температура пайки
    ?
    Примерная температура точки пайки во время работы.
    :
    220 °C
    Ориентировочная температура холостого хода
    ?
    Температура наконечника в воздухе.
    :
    260 °C
    Максимальная температура (точка Кюри)
    :
    302 °C
    Быстрый просмотр
    Картридж-наконечник для MX, PLCC 32, серия 1 Картридж-наконечник для MX, PLCC 32, серия 1 Картридж-наконечник для MX, PLCC 32, серия 1
    11 419 руб.
    Картридж-наконечник для MX, PLCC 32, серия 1
    0
    0
    Ожидается поступление
    Арт. SMTC-116
    Минимальный заказ
    ?
    Если товара нет в наличии
    :
    от 3 штук
    Производство
    :
    США
    Производитель
    :
    METCAL (США)
    Размер
    :
    A 12.7 x A2 11.43 x D 3.8 x B 15.24 x B2 13.97 мм
    Теплоотдача
    :
    Серия 700 для бессвинцового припоя
    Подходит для
    :
    Паяльник MX-H1-AV
    Ориентировочная рабочая температура пайки
    ?
    Примерная температура точки пайки во время работы.
    :
    280°C
    Ориентировочная температура холостого хода
    ?
    Температура наконечника в воздухе.
    :
    370 °C
    Максимальная температура (точка Кюри)
    :
    413 °C
    1 ... 53 54 55 56 57 ... 63
    Категория
    • Паяльное оборудование
      • Паяльные станции METCAL
        • Наконечники
          • Для серии CV/MX
          • Для серии MFR
          • Для PS-900
          • Для серии MX
          • Для серии GT
    Фильтр
    Цена
    0
    5 586
    11 171
    16 757
    22 342
    Наличие
    Минимальный заказ ? Если товара нет в наличии, то возможен заказ только минимального количества. Если товар есть в наличии, то можно заказать любое количество со склада.
    Бренд ? Мы официальный дилер представленных брендов
    Производитель
    Форма
    + Еще
    Размер
    + Еще
    Теплоотдача
    + Еще
    Подходит для
    + Еще
    Рабочая температура пайки
    Температура холостого хода
    Ориентировочная рабочая температура пайки ?
    Примерная рабочая температура припоя на типовой плате из стеклотекстолита через 1-2 секунды после начала пайки. Зависит от конкретного компонента и платы. 
    + Еще
    Ориентировочная температура холостого хода ? Температура наконечника в воздухе.
    + Еще
    Максимальная температура (точка Кюри) ? Максимальная температура ферромагнетика на поверхности сердечника внутри индукционного нагревателя. Реальная температура наконечника зависит от геометрии жала, окружающей среды и метода измерения. Температура наконечника во время пайки сильно снижается.
    + Еще
    Выбрано 0 Показать0
    Показать 0
    Подписаться
    на новости и акции
    Связаться с нами
    7 (495) 123-81-01
    7 (495) 123-81-01
    8 (800) 101-32-12
    @ARGUS_X_Bot Чат в телеграмм tg.svg
    @id7720669687_bot Чат в МАХ
    E-mail
    info@argus-x.ru
    Адрес
    г. Москва, ул. Золоторожский Вал, д. 11, стр. 22, офис 239
    🚙 Склад в Москве
    Режим работы
    Офис работает по будням с 9:00 до 18:00. Пожалуйста, предупредите о визите заранее.
    info@argus-x.ru
    г. Москва, ул. Золоторожский Вал, д. 11, стр. 22, офис 239
    🚙 Склад в Москве
    Разделы каталога
    Паяльное оборудование
    Дымоуловители
    Оснащение производств
    Паяльные материалы
    Распродажа
    Подборки
    Карта сайта
    Каталоги в PDF
    О компании
    О нас
    Бренды
    Сертификаты
    Документы
    Реквизиты
    Сотрудники
    Статьи
    Партнёрам
    Для партнёров
    Покупателям
    Контакты
    Заказ и оплата
    Доставка
    Самовывоз
    Гарантия
    Акции
    Отзывы
    Личный кабинет
    Конфиденциальность

    © 2016-2026 Интернет-магазин ARGUS-X

    Согласно положениям ст. 437 ч. 1 Гражданского кодекса РФ от 30.11.1994 № 51-ФЗ вся информация на сайте не является публичной офертой

    Каталог 0 Корзина Кабинет 0 Сравнение Контакты

    Продолжая использовать наш сайт, вы даёте согласие на обработку файлов cookie в целях функционирования сайта и сбора статистики в соответствии с Политикой конфиденциальности